Skip to content

Simple OHIS Radio Adapter for Icom Radios

Friend and listener to the Ham Radio Workbench podcast, James AE8JF, wanted to make his own OHIS Radio Adapter for his IC-9700. So he did some research and noticed a couple things:

  1. His Icom IC-9700 radio includes all(*) signals necessary for an OHIS connection on the front panel GX16: Mic/Mic Gnd, and PTT and Receive Audio with a shared ground between the two.
  2. All those signals were already electrically OHIS compliant: Electret microphone, contact closure to ground for PTT, and Receive Audio capable of driving headphones.

(*) The only exception being the Vcc power source, which is optional in the OHIS spec.

This means he could build an entirely passive OHIS Radio Adapter, that’s just a cable with an Icom Mic-port wired GX16 on one side, an OHIS wired RJ-45 on the other side, and nothing but wires between them.

Are the Signals really OHIS compliant?

According to the Icom IC-9700 manual, on page 13-3:

Icom IC-9700 Microphone Pinout
  • Pins 1 and 7 are the Microphone circuit. The “NOTE:” about 8vDC power confirms that the Microphone signal already has the DC bias voltage required to drive Electret microphones, as OHIS requires.
  • Pins 5 and 6 are PTT and Power Ground. PTT is triggered by shorting PTT to Power Ground. Just like OHIS.
  • Pin 8 is “AF output” but it’s unclear on what that signal looks like.

All the other signals from the GX16 aren’t required for OHIS, so they can be ignored.

What about “AF Output?”

The only question was whether the AF output is line level (read: source impedance too high to drive headphones) or headphone/speaker level (read: low enough impedance to be compatible with OHIS). It says it’s “From EXT-SP MAIN or EXT-SP-SUB” which suggests that it’s a low impedance source, but it’s not clear whether that’s just the source of the audio, and that they intentionally increase the impedance before routing to the GX16.

While discussing this on the Ham Radio Workbench Discord server, Dennis, AD9WM dug into the schematics from the service manual (albeit for the IC-7300) and found this:

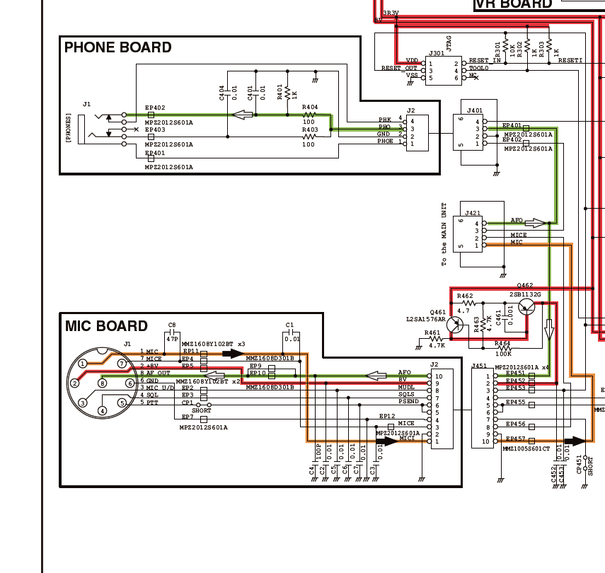
Schematic of Mic connector, tracing the AF Output path

Specifically, follow the Green highlighted signal. Note that the same source signal drives both the Headphones port, and the AF out on the Mic port. There’s actually series resistance on the headphones, but NOT on the Mic port! So the AF out on the Mic port is a LOWER impedance than the headphones! Meaning, it’s even MORE capable of driving the OHIS headphones. (In fact, the cable I’m about to describe should probably add two 100R resistors in series with the HP:L and HP:R signals, to replicate what the IC-7300 does to drive its Headphones port. See below.)

We also checked the 7610’s schematic, and it drives the AF output similarly. I haven’t checked every Icom radio, but it seems like a good possibility that this is how most, if not all, Icoms are driven. At the very least, I think it’s reasonable to assume the 9700 and 7300 are very similar, and tests of hardware suggest this is true.

Ok, so how do we wire this ICOM OHIS Radio Adapter?

Thank you to James for documenting this so clearly:

A few things to note:

  • DC Power: Even though the IC-9700 Mic port provides 8vDC output, it’s only a maximum of 10mA. The OHIS Vcc spec is 5vDC at 200mA. The power source on OHIS is optional, but if it is provided, it needs to meet the specs. So don’t connect the 8v 10mA source to OHIS’s 5v 200mA Vcc pin.
  • Grounds: Icom lists pin 6 as “PTT Ground.” It also serves as the AF Output return currents path. Both: OHIS Power Ground (pin 7, used for PTT) and Headphone Ground (pin 5) must be tied to the Icom’s pin 6.
  • Headphone Left and Right: As discussed earlier, connecting Headphone Left and Headphone Right both directly to the AF Output on the mic connector will work. However, the audio level will probably be pretty high, meaning you have to keep the volume knob turned pretty far down on the IC-9700 front panel limiting useful dynamic range. Also, if one side (left or right) accidentally gets shorted to ground, it’ll take out both sides, and draw a lot of power from the audio amplifier.

    It would be ideal to use two 100R resistors in series, one on each headphone line. That is: the AF output from the Icom connects to two 100R resistors. The other side of one resistor goes to Headphone Left, and the other side of the other resistor goes to Headphone Right. This replicates the circuit in the Icom’s own headphone port.

It’s that simple?

It appears to be, yeah. James built this and, after making sure his User Adapter’s mic level was adjusted correctly, made several QSOs with good audio reports. It works.

Why are you telling us this? Doesn’t this mean I don’t have to buy your HHI Radio Pro?

Yes. If you have an Icom radio with an AF output on the Mic connector, you can build this OHIS Radio Adapter cable, and not have to buy any hardware from Halibut Electronics.

OHIS Adoption is far more important to me than selling adapters. I think OHIS is a PERFECT area for DIY projects! It’s relatively simple (compared to some RF projects), and lets hams get hands-on in ways that directly benefit their enjoyment of the hobby.

Also, there will always be some hams who would rather throw money at a solution to a problem, rather than take on the project to solve it themselves. Both options are perfectly valid. I’m here to help those who just want the Thing, not the project to make the Thing.

Also also, my products have more nice-to-have features that this minimal device doesn’t, such as the Passthru ports and switching. If those features matter to you, and you think they’re worth the extra value, then I’m here for you.

But really, more adoption is good. A rising tide and all that. The more people who get involved in making OHIS a reality, the better it will be for everyone, including Halibut Electronics.

So, thank you James and Dennis and everyone else in the Ham Radio Workbench Discord -electronics room who helped make this a reality.

Cheers, 73 de N6MTS
-Mark

Leave a Reply

Your email address will not be published. Required fields are marked *